Ives COR Series

Ives COR Door Coordinator
Style Option
*Roll over thumbnail for product name and click to change main images
Finish Option

Application  Commercial

 

Description

 

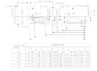
COR Series Bar Coodinators

  • The COR Series Coordinators are designed for use on pairs of doors when one door needs to close before the other
  • All COR units function easily. The active door lever, located nearest to the active stop, holds the active door open until the trigger mechanism is released by the closing of the inactive leaf.
  • All COR units may not function correctly with swingclear hinges
  • All COR units are equipped with an adjustable override feature which allows the active door to close under extreme pressure
  • All COR units are compatible with Flush Bolts 

 

 

Warranty

 

10 years mechanical warranty